• Galeria7
  • Galeria8
  • Galeria6
  • Galeria5
  • Galeria1
  • Galeria3
  • Galeria4
  • Galeria9

Galeria ta powstała aby pokazać, że metalografia to nie tylko dziedzina nauki i techniki ale również w pewnym sensie sztuka. Połączenie odpowiednich technik preparatyki, trawienia oraz obserwacji umożliwia wydobycie piękna zaklętego w metalu niewidocznego gołym okiem. Otrzymane obrazy struktur zadziwiające paletą barw, kształtów i pięknem symetrii przywodzą na myśl dzieła sztuki stworzone przez artystów awangardowych. W tym przypadku jednak malarzem są zjawiska fizykochemiczne związanie z krystalizacją czy przemianami a pędzlem dłonie metalografa, który przy odrobinie szczęścia i wiedzy potrafi to piękno wydobyć.

Cart

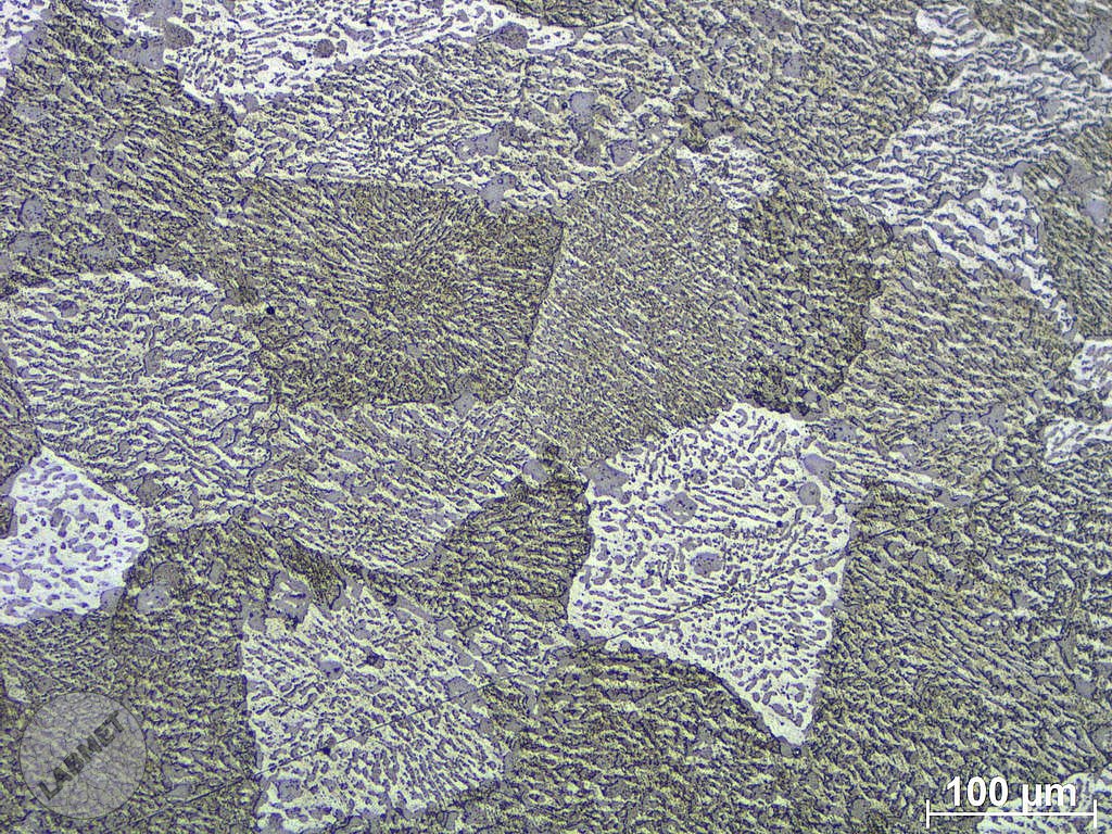
SnPb38

Lutowniczy stop eutektyczny o składzie 62% Sn i 38% Pb. Temperatura topnienia stopu wynosi 183°C. Dodatkowo stop ten cechuje zjawisko nadplastyczności.

poniedziałek, 06 maj 2019